报告错误

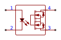
516T14405CTR

描述:
报告错误

属性

名称: 516T14405CTR
封装: OSC-SMD_4P-L2.0-W1.6-BL_8NE
生产厂家: CTS(西迪斯)
元件购买

LCSC 属性

商品编号: C19777366
库存: 0

svg-battery svg-battery-wifi svg-books svg-more svg-paste svg-pencil svg-plant svg-ruler svg-share svg-user Created with Sketch. svg-double-arrow