报告错误

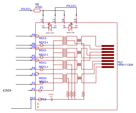
千兆网口

描述:
报告错误

属性

名称: 千兆网口
封装:
svg-battery svg-battery-wifi svg-books svg-more svg-paste svg-pencil svg-plant svg-ruler svg-share svg-user Created with Sketch. svg-double-arrow