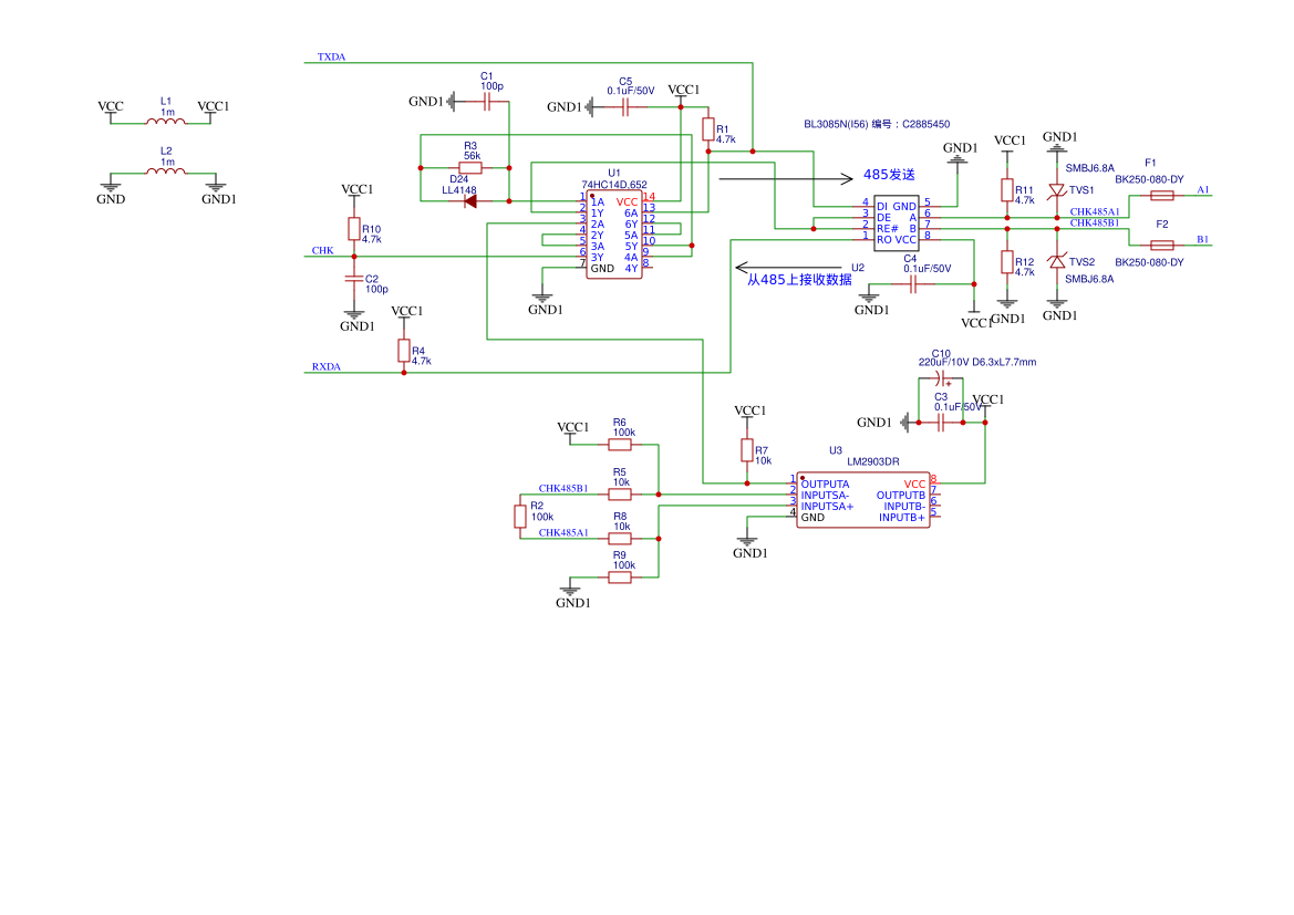
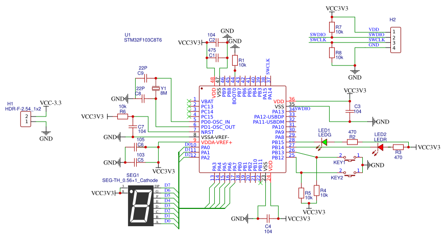
555PWM电路(原理图)

标签: 暂无
svg-battery svg-battery-wifi svg-books svg-more svg-paste svg-pencil svg-plant svg-ruler svg-share svg-user Created with Sketch. svg-double-arrow